

暖空系統
-
行業需求
-
行業應用方案
-
產品選型推薦
行業需求
暖通空調(HVAC)系統是指室內或車內負責暖氣、通風及空氣調節的系統或相關設備。它包括動力機房、冷卻水系統、空氣處理單元等組成部分。
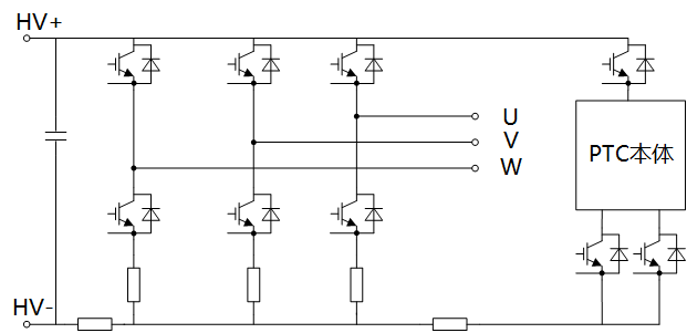
行業應用方案
拓撲結構
產品選型推薦
型號 | 電壓(V) | 電流(A) | 封裝 | 拓撲 |
MM40G3T120B | 1200 | 40 | TO-247 | / |